[레이저가공] 모터 마운트. 손쉬운 제작 방법!
사용하고자 하는 모터를 환경에 따라 알맞게 고정용 마운트를 구하이 어려워 사용하기 어려우셨죠?
이제 고민하지 마세요! 커스텀 서비스를 통하여 어떤 모터 마운트라도 만들 수 있습니다.
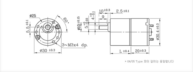
RB-35GM 01TYPE 12V 1:50 기어비의 모터를 선택하여 만들어 보겠습니다.
마운트의 절곡 방향과 모터 방향을 잘 확인하여 작성합니다.
[레이저 가공, 판재 가공 참고글]
[판재가공 활용편]
![]() |
프로파일 Color 아노다이징프로파일을 원하는 색상으로 아노다이징 도금하여 사용해보세요. 디바이스마트를 이용하시면 보다 편리합니다. |
![]() |
프로파일 안전가이드 레이저가공 판재가공 아노다이징 활용편레이저 판재가공을 활용하여 프로파일 안전가이드 만들기. 디바이스마트 커스텀서비스를 이용하면 원하는 것을 손쉽게 만들어 볼 수 있습니다. |
![]() |
레이저가공(Razer)DIY(프로파일) 가공 활용 하기비철금속 판재 레이저절단 절곡 가공을 통하여 안전 가이드를 만들어 보도록 하겠습니다. 가공 후 날카로운 모서리 부분을 가리면서 동시에 포인트 를 줄수 있는 가공을 예로
|
![]() |
노트북 쿨러! 판재 가공으로 손쉽게!판재 레이저가공을 통하여 나만의 노트북 쿨러를 손쉽게 만들어 보세요. 디자인 성능 기능 모두 생각대로! |
![]() |
판재가공의 절곡 이란? [레이저 가공]판재가공의 절곡을 이해하기 위해서는 절곡기의 형태와 금형을 참고하시면 좋습니다. 판재가공의 디자인 설계자는 반드시 알아야하며, 가공의 난이도를 조정하여 단가를 조정할 수 있습니다. |
![]() |
조립하기 [레이저 가공] 무선 주행로봇을 만들어 보세요.
도면 견적 후 발주하여 가공품을 조립합니다. 아래 버튼으로 과정 단계별 설명페이지 이동이 가능합니다.
6. 가공 완료 / 조립 하기 코팅제 또는 스틸의 경 우 착색 도색을 사용하며, 알미늄의 경우 아노다이징 처리를 합 니다. 알미늄은 가벼우며 튼튼하고 아노다이징 색이 좋아 많이 사용합니다. 스틸은 가격이 가장 저렴한 자재로 일반적으로 많이 사용되며 도색 가공을 추가 하거나, 직접 도색을 해도 문제 없습니다. 직접 도색은 통풍이 잘되는 그늘에서 얇게 분사하여 충분히 건 조 시킨후 다시 얇게 분사 하는 과정을 2~4회 정도 반복합니다. 한번에 많은 양을 분사하면 골고루 도색이 되지 않거나 얼룩이 생기며, 일부분이 마르면서 두꺼워져 버립니다. 2~4회 도색-건 조 과정 이후에는 마감제(=투명락카)를 2회… |
![]() |
프레임 발주하기 [레이저 가공] 무선 주행로봇을 만들어 보세요.
이전 포스팅에서는 프레임 구상 편을 작성 하였습니다. 이번 작성 내용은 CAD 도면으로 견적/발주 내용을 정리하겠습니다.
4. CAD 도면 그리기 도면 조립 옆면 입니다. 홀 가공 위치를 꼭 표시하셔야 조립도 에서… |
![]() |
프레임 그리기 [레이저 가공] 무선 주행로봇을 만들어 보세요.튼튼한 금속바디를 만들어 하나뿐인 주행로봇을 만들어 보세요! 스캐치편. |
![]() |
[레이저 가공] 아크릴 절단 서비스커스텀 아크릴 절단 서비스 입니다. |
![]() |
배터리 케이스 활용[레이저 가공]디바이스마트 레이저 판재가공 샘플 서비스를 통하여 다양한 케이스를 만들 수 있습니다. |
![]() |
모터 마운트. 손쉬운 제작 방법![레이저가공]레이저 가공 서비스를 통하여, 모터 마운트를 손쉽게 만들 수 있습니다. |
| [youtube http://www.youtube.com/watch?v=UHITBB8TjhA&w=220&h=160] |
레이저 절단 절곡 샘플가공 서비스 Custom Service레이저 절단, 절곡 비철금속 가공 서비스 입니다. |
























